ОТГРУЗИЛИ ИЗДЕЛИЙ
с 2008 года: тонн
по чертежам тонн
по сериям и ТУ тонн
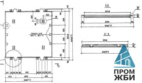
из артбетона Монолитная ж/б плита МП-1, МП1.1, МП-2, МП-3Мы производители! Ассортимент - более 50 тысяч номенклатурных позиций для любых cтроительных задач. У нас можно купить любую серийную и нестандартную ЖБИ продукцию (с фибро-, стекло-, керамзитом, сульфатостойким цементом и другими добавками) с доставкой в Кургану, Курганской области и всей России МП-1, 1-1, 2, 3 – межколонные плиты, применяемые в строительстве жилых и нежилых зданий. Изделия чаще всего монтируют в местах, где расположены вентиляционные шахты, лестницы и другие подобные конструкции. Плиты устанавливают между колоннами, фиксируя при помощи закладных металлических элементов. «ПромЖБИ» предлагает изготовление монолитных плит, выпускаемых под маркировками МП-1, МП1-1, МП-2, МП-3. Производственные мощности позволяют выпускать большие объемы продукции этого типа без потери качества в сжатые сроки. Возможна доставка по России и в Казахстан. После отгрузки со склада или поставки партии на место каждый наш клиент получает паспорт качества. Сотрудничать напрямую с производителем выгодно – доступная стоимость продукции, оперативное изготовление заказов даже большого объема, гарантия.
Производство и заказПлиты производят с выполнением требований для изделий, выпускаемых в серии Серии 1.420.1-25. В качестве материала применяют прочные тяжелые бетоны, способные выдерживать высокие нагрузки. Основные характеристики материала, используемого при изготовлении плит МП:
Формование происходит при помощи полусухого вибропрессования, что позволяет придать изделия высокую плотность. Армируют плиты каркасом из прочной стали. Сделать заказ и получить ответы на возникшие вопросы можно, обратившись к менеджеру по телефону или при помощи электронной почты. Также на странице «Контакты» этого сайта есть дополнительные контактные данные для связи со специалистом. |

+7 921 375-40-71